公司名称:上海伍贺机电科技有限公司
联系人:赵经理
电话:021-51602186,13816972865
传真:021-33321923
邮箱:hlandhx@126.com
地址:上海闵行区莘凌路211号上海理工大学科技园1号楼
公司名称:河北伍贺机电科技有限公司
联系人:赵经理
电话:13731461132
邮箱:zhaox1977@163.com
地址:河北省石家庄市长安区建华城市广场B座1701
公司名称:北京伍贺高研科技有限公司
联系人:高经理
电话:010-51294321
邮箱:bjwhjdkjyxgs@163.com
地址:北京市朝阳区光华路15号铜牛国际大厦303
一、 概述:
恒流量调节阀:能够自动控制,不管是管路中入口(一次侧)压力变化还是出口(二次侧)压力变化,始终能够保持管路中的流体流量为恒定输出。
一般与浮子流量计结合使用,其管路中的流体流量由浮子流量计就地指示直接读出。
二、 流量控制范围
流量范围
液 体 最小0.9~9L/h
最大30~300L/h
气 体 最小0.015~0.15m3/h(nor)
(空气,20℃,1atm) 最大0.9~9m3/h(nor)
最高使用压力 1.0MPa(玻璃浮子流量计)
5.0MPa(金属浮子流量计)
IN~OUT之间容许差压 0.1~0.6MPa
控制精度 ±5%F.S.
最高使用温度 120℃
连接 NPT1/4",Rc1/4"
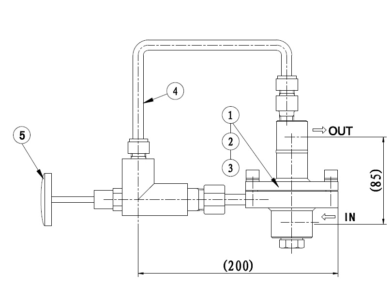
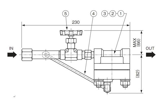
■ 外形尺寸

一次压变用 C_1-V

二次压变用 C_2-V
■ 部件材质表

联系电话:021-51602186
传 真:021-33321923
邮箱:hlandhx@126.com






